- 一般信息
- 技术规格
- 图片
- 视频
- 附件
-
RHC60是最小型的破拆机器人,它可以穿过狭窄的门道,可由通用的乘客电梯进行运输,进入狭小的空间进行拆除工作。电动机驱动,行走灵活,噪音小,无排放。可替代人在有毒(污染)、易燃、易爆、易坍塌、强辐射等危险与恶劣环境中进行全方位、远距离控制的破碎、剪切、拆除等作业。
广泛应用于:
- 应急抢险救援
- 建筑室内改造破拆
- 冶金炉窑维修打渣
- 核事故救援及核废料处理
-
尺寸
技术参数


回转速度
7秒/240°
最大行走速度
2.4km/h
最大爬坡倾角
30°
液压油箱容量
27L
泵的类型
负载敏感式轴向柱塞变量泵
系统工作压力
18MPa
泵输出流量
0-27L/min
电动机类型
YE3-132M-B5
功率
7.5kW
启动装置
直接启动
控制类型
智能遥控
信号
数字信号
控制方式
无线
控制范围
100m
机器重量
750kg
推荐附件重量
105kg
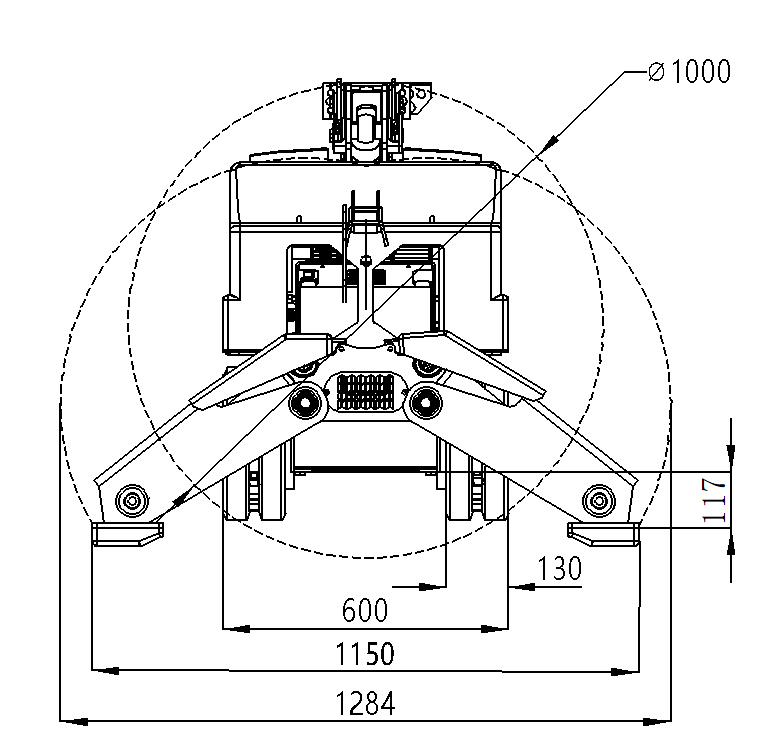
工作范围图
选 项

挖斗、液压剪等作业属具
橡胶履带/钢制履带
机械快换装置/自动导通/液压手腕
强制通风冷却
油缸特殊保护
液压锤喷水喷气功能
备用油路(额外液压功能)
履带钢垫/其他钎具
高温胶管/核防护
液压油路自动导通快换/液压手腕
远程视频系统、传感器
消防炮、增压器和推土铲
-



产品咨询
如果您对我们的产品感兴趣,请留下您的电子邮件,我们会尽快联系我们您。谢谢!