+
  • 120D.jpg
  • 120D(1757572941387).jpg
  • 120D1.jpg

破拆机器人RHC120D


RHC120D是最小的柴油机驱动的破拆机器人,它的紧凑型设计和机动能力使其适用于众多场所。可以通过一般的门廊和进入狭窄的通道,机动灵活,不拖电缆,具有很大的载重能力和很强的越障能力。可攀爬楼梯或者30度的斜坡。

分类:

破拆机器人

  • 一般信息
  • 技术规格
  • 图片
  • 视频
  • 附件
  • RHC120D是最小的柴油机驱动的破拆机器人,它的紧凑型设计和机动能力使其适用于众多场所。可以通过一般的门廊和进入狭窄的通道,机动灵活,不拖电缆,具有很大的载重能力和很强的越障能力。可攀爬楼梯或者30度的斜坡。

     

    广泛用于:

     

    • 冶金炉窑维修打渣

    • 消防应急、抢险救援

    • 核设施、军事设施退役处置

    • 商业楼宇、工业建筑的拆除改造

     

  • 技术参数  性能指标 
    整机性能  整车装备质量  1500kg 
    行走速度 2.2/4.0km/h 
    回转速度 10秒/360°
    爬坡度 30° 
    履带宽度  180mm
    可配工具 液压锤、液压剪、挖斗、抓取器等 
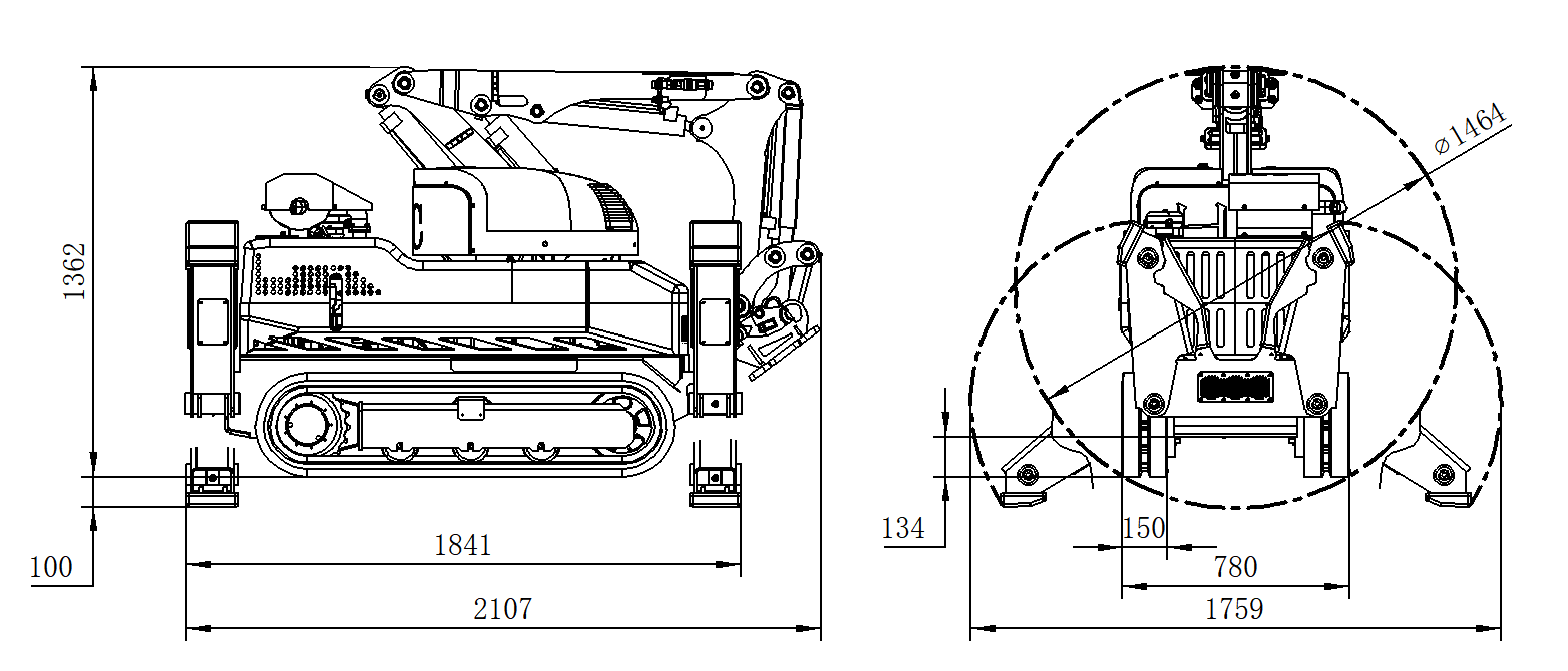
    几何尺寸  设备尺寸  长度:2200mm
    最低高度:1325mm
    最小宽度:780mm 
    工作空间  最大工作高度:4400mm 
    最大工作高度:4400mm 
    最大工作高度:4400mm 
    动力系统  柴油机驱动  功率/转速:18.7kW@3200rpm 
    柴油箱容积:28L
    液压系统  主泵  负载敏感式轴向柱塞变量泵
    输出流量 0~40L/min
    主阀  负载反馈压力补偿式电液比例多路阀
    系统额定压力 18MPa 
    液压马达  回转马达:ZHENJIANG   DALI 
    行走马达:NACHI 
    液压油箱容积 40L 
    控制系统  控制装置 便携式遥控器 
    控制方式 无线 /有线(20m)
    遥控距离 150m
    通讯模式 基于CAN总线的数字式有线双向通讯 
    尺寸图 工作范围图

     

  •  

     

     

     

产品咨询

如果您对我们的产品感兴趣,请留下您的电子邮件,我们会尽快联系我们您。谢谢!

提交